Exhaust heat recovery from exhaust gases from curing ovens, adhesive water dryers and powder dryers
Heat energy from exhaust gases from drying chambers and curing ovens
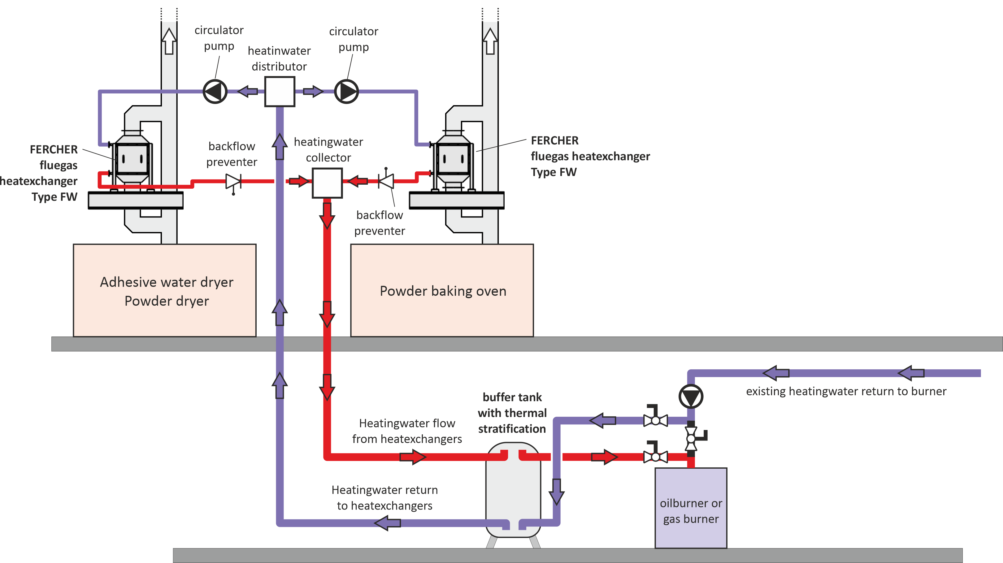
A typical powder coating operation generates considerable amounts of hot exhaust gas. The exhaust gas from drying chambers and curing ovens can be utilized without a prefilter using the FERCHER heat exchanger.

Use of heat in the company building
The recovered thermal energy can be used in a variety of ways, e.g., for facility heating or for preheating boiler feed water. Integration into existing systems is very simple; for example, primary energy consumption can be reduced by simply preheating the return flow of the existing heating system. Complex control systems are not required; the preheated return flow simply reduces the amount of heat the existing oil/gas burner needs to generate.

No pre-filter necessary
FERCHER exhaust gas heat exchangers were specifically developed for highly contaminated exhaust gases. Therefore, they can be operated directly with the exhaust gas (without a prefilter).


Diagram of a typical application

